城邦齿轮减速马达系列产品均通常各项国际质量体系认证,稳定性强,在国内口碑极佳。产品被众多知名企业如富士康等指定为专业传动设备供应商。随着企业规模不断壮大,在业内也出现了一些不同的叫法,如: cpg减速机,cpg减速马达,城邦马达,城邦电机等。关于名称叫法的不同,可参考:台湾CPG,,城邦,晟邦,是同一个减速机品牌吗?质量一样吗?:
http://www.cpggearmotor.com/jianshujiwt/32.html。在购买时请认准厂家各项资质证明及实际产品上的logo(在本体或马达盖上可看到突出的:CPG字样),谨防假冒,如在采购时有任何疑问,请联系城邦客服,咨询电话:0755-86171616.
一:产品选型说明:
立式高速比齿轮减速马达CV..S为城邦精工高速比附三相铝/铁壳(刹车)马达减速机系列产品,该产品为立式安装方式,由于采用了双极结构,看上去比普通齿轮减速马达更长,因此也叫双极减速机。在城邦高速比系列产品中,主要为两大类,即:
卧式高速比齿轮减速马达CH..S与立式高速比齿轮减速马达CV..S,此产品为型号之一。每种不同安装方式之高速比产品均有100W.200W400W.750W.1500W.几种规格。在选型时需要说明是否需要刹车。在采购时请先确认你所需产品之轴径,功率,减速比,再将功率,减速比与我司的:城邦齿轮减速马达输出扭矩表:
http://www.cpggearmotor.com/chengbangjs/59.html进行对照,确认是否能满足你所需要输出扭矩,输出转速。轴径请参考下表:

在此表中,你需要对应出力轴大小选择适合的机型。如轴径为50,那么只能选择型番(SIZE(S))为50的机型。通常一种机型(型番)对应一种功率。
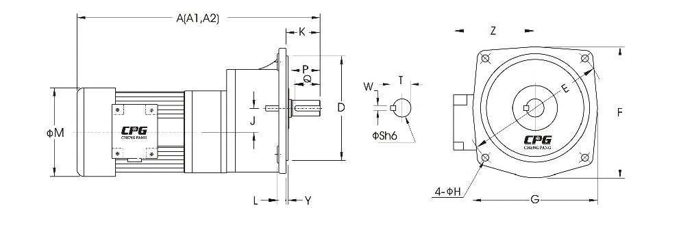
如与之相配产品非成邦产品,也不能确认是否为国际通用标准产品,那么你在确定型号后则需要对照下列图纸及查看尺寸,立式高速比齿轮减速马达CV..S详细尺寸图:

立式高速比齿轮减速马达CV..S详细尺寸对照表:

如尺寸与之不符,贵处也不具备可对尺寸进行修改的人员及设备,则需要谨慎购买。
二:产品各部件材质说明:
A)本体 (1)、1号,2号及3号本体,其出力轴直径介于∮18-∮28之间时,减速机本体皆采用铝合金材质ADC-12. (2)、4号,5号及6号本体,其出力轴直径介于∮32-∮50之间时,减速机本体皆采用铁壳材质FC20. B)1/2/3段齿轮 (1)、齿轮经精密滚齿加工,齿轮加工精度等级为2-3级。 (2)、齿轮材质为S45C,调质至HRC21度再经高调波热处理至HRC45-48度 C)二/三段齿轮 (1)、齿轮经SKIVING精密滚齿加工,齿轮精度等级为1-2级。 (2)、齿轮材质为SCM21,调质至HRC21度再经高调波热处理至HRC58-61度 D)马达齿轮 (1)、马达齿轮经SKIVING精密滚齿加工,齿轮精度等级为1-2级。 (2)、材质为SCM4,调质至HRC21度再经高调波热处理至HRC50度-53度。 E)轴承 马达部分皆采用瑞典SKF或同等级精密轴承,以确保长期运转寿命。 F)油封 马达轴侧以耐高温VITON油封为主,可确保防止润滑油回漏马达内部。 G)接线盒 采用铝合金专用IP-55铝制接线盒,防水性及防压性佳。 H)三相/单相马达本体 (1)三相马达:采标准全密闭型专用铝壳马达配IP-55铝制接线盒,具较佳防水性及防压性,易散热及运转效率高 (2)单相马达:采标准半密封专用铁壳马达配铁制接线盒,较易散热,运转效率高。(本公司亦可提供全密型铁壳马达及铝合金型单相马达) I)马达后盖 可采用防水马达后盖,于轴心处加置油封,可防止灰尘及外部水汽流入马达。
三:安装说明:
本产品与其它齿轮减速马达产品类似,故在安装时请遵守安装规范,如带刹车器产品安装时有接线问题请参考:城邦齿轮减速马达接线方式:
http://www.cpggearmotor.com/chengbangjs/65.html。如未能解决,请联系技术人员解决。